3D Laser Scanning and As-Built Documentation for a Uniquely Shaped Residential House in Jericho, New York
We completed an express 3D laser scanning project for a private residential house with a unique architectural shape in Jericho, New York. The total area of the property was approximately 5,000 sq ft. The main challenge of the project was to capture the geometry of the building accurately within a very limited timeframe and provide the client with a complete set of deliverables in just one week.
Due to the urgent nature of the assignment, traditional manual measurement would have required more time on site and created a higher risk of missing important dimensions, especially in a house with non-standard geometry. To avoid delays and reduce fieldwork time, we used precise 3D laser scanning, which allowed us to collect reliable spatial data in a single visit and quickly proceed to processing, drafting, and modeling.
Project Overview
Project type: Measurement survey using 3D laser scanning for informational and design purposes
Location: Jericho, New York
Area: Approximately 5,000 sq ft
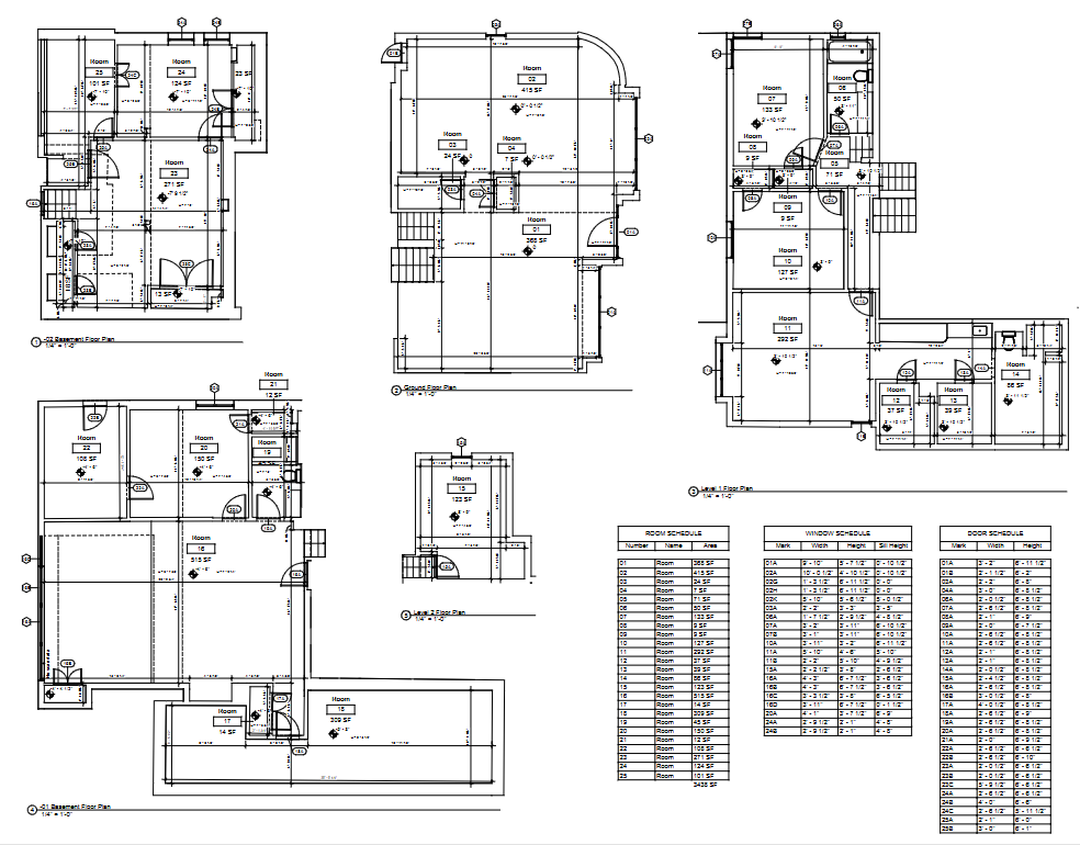
Scope: Interior scanning, point cloud processing, 2D floor plans, and 3D model preparation
Objective: Deliver a complete and accurate package of as-built documentation within a compressed timeline
Key requirement: Precise representation of the building’s unique geometry and dimensions
Client’s Request
The client needed an accurate digital record of the house in the shortest possible time. The required deliverables included:
- point cloud data for reference and coordination;
- accurate 2D floor plans;
- a 3D model reflecting the actual geometry of the house.
The urgency of the request made speed a critical factor. At the same time, speed could not come at the expense of accuracy, because the resulting drawings and model were intended for further design and planning work.
Project Challenges
1. Non-standard geometry of the house
The building had a unique shape, which required especially careful capture of all internal dimensions and spatial relationships. Projects like this are much more demanding than standard rectangular properties because irregular walls, transitions, and room geometry must be represented correctly both in drawings and in the 3D model.
2. Tight deadline
The client needed all deliverables within one week after the scan. This left very little room for extended site visits, repeated measurements, or prolonged data processing. The workflow had to be organized as a fast and efficient project sprint.
3. Budget-sensitive execution
Another important task was to reduce both project duration and client costs. By using laser scanning instead of slower traditional methods, we minimized time spent on site while maintaining a high level of measurement reliability.
Technology and Method
To complete the project, we used precise 3D laser scanning with FARO equipment. This approach allowed us to quickly capture interior spaces and obtain a dense and accurate point cloud that served as the basis for all further deliverables.
Laser scanning was the optimal solution for this project because it provided three major advantages at once:
- rapid data capture during a single field visit;
- reliable measurement of complex geometry;
- the ability to generate several output formats from one source dataset.
Workflow and Execution
Day 1 — On-site 3D scanning
We carried out efficient fieldwork and scanned all interior spaces of the house in approximately 6 hours. Despite the property’s size and unique shape, the scanning process was completed in a short time thanks to a well-planned survey workflow and the speed of laser scanning technology.
Days 1–2 — Point cloud processing
Immediately after the fieldwork, the scan data was registered and cleaned. At this stage, we prepared a coordinated point cloud suitable for drafting and modeling. This step was essential for ensuring that the final documentation would be based on a reliable digital representation of the property.
Days 2–3 — Modeling and drafting
Using the processed scan data, our team produced:
- accurate 2D floor plans;
- a 3D model of the house;
- files in DWG and PDF formats for convenient use by the client and design team.
This stage focused on converting raw scan data into practical deliverables that could be used immediately in planning, renovation, and design workflows.
Days 4–5 — Final review and delivery
The final stage included quality control, checking the consistency of drawings and model geometry, and preparing the files for delivery. The complete package was provided to the client within the agreed one-week timeframe.
Deliverables
As a result of the project, the client received a full set of digital documentation, including:
- complete point cloud in RCP and RCS formats;
- accurate 2D floor plans in DWG and PDF;

- 3D model in DWG and PDF formats.

Result for the Client
The project demonstrated how 3D laser scanning can significantly accelerate measurement and documentation work for residential properties, especially when the building has complex geometry and the schedule is limited.
By choosing laser scanning, the client received several important benefits:
- fast on-site data capture without long manual measurement sessions;
- reliable documentation created from precise scan data;
- reduced project timeline;
- lower risk of errors in further design and renovation stages;
- the ability to work with the building remotely using the delivered files.
The completed package gave the client a dependable basis for future architectural and planning decisions, while also reducing the need for additional site visits and repeated measurements.
Conclusion
This project in Jericho, New York, is a strong example of how ScanM2 handles time-sensitive residential documentation tasks with a focus on speed, accuracy, and practical value. Even for a large house with a unique shape, our workflow allowed us to complete scanning, process the data, and deliver full as-built documentation within one week
